製品概要
| RVE35シリーズ ソーラーポンプVFD | | |
| | DC/AC入力 | |
| | 洗練されたデザイン | |
| | MPPT | |
| パラメトリック | ||
| モデル | RVE35-T3-280G ~ RVE35-T3-315G |
| 電圧 | 350VDC ~ 800/900VDC 入力、3 PH AC380V ~ 440VAC 入力 | |
| P定格(kW) | 280/315 | |
| 定格電流(A) | 520/600/680 | |
| MPPT Vmp/Voc | 540/660 | |
| 寸法(mm) | 1035*620*400 | |
アプリケーションの背景
| 近年、世界的な「食糧問題」や「エネルギー問題」の深刻化に伴い、太陽熱温水ポンプは、有効耕作地の生産量増加や化石エネルギーのクリーンエネルギーへの代替といった問題を解決する効果的な産業統合製品として徐々に注目を集めています。その結果、太陽光発電産業が農業用水の保全、砂漠対策、家庭用水の利用、都市の水景などの伝統的な産業と組み合わせて発展する新たな経済モデルが誕生しました。 |
製品の特徴
• 高速応答速度と安定した動作を備えた最大電力点追従 (MPPT)
• 空運転(負荷時)保護
• モーター最大電流保護
• 入力電源保護
• 低停止周波数保護
• PQ (パワー/フロー) 性能曲線により、ポンプからの流量出力を計算できます。
• 完全自動運転、データ保存、保護機能のためのデジタル制御
・主回路用インテリジェントパワーモジュール(IPM)
• LED ディスプレイ操作パネルとサポートリモコン
• デュアルモードACおよびDC電源入力が利用可能
• 低水位プローブセンサーと水位制御機能
• 使用周囲温度: -10 ~ 50˚C。
| 洗練されたデザイン 設置面積50%削減 体積が 30% 削減されました | |
| | 全自動3プルーフ塗装機は、回路基板の保護層を厚くするために使用され、風塵、腐食性ガス、湿った空気による回路基板の損傷を効果的に防ぎます。 |
| | 全自動検出装置を採用し、定格負荷下での製品の各種電気インジケーターや保護機能をテストします。 |
| | すべての完成した製品は、製品の故障率を減らすために、60 度の高温で 48 時間負荷をかけた状態でエージングされ、その後、すべての電気インジケーターが負荷をかけた状態でテストされます。 |
モデルの命名法
一般タイプS2シリーズ:
Vmp 310VDC または 220VAC 入力、1/3 相 0 ~ 220VAC 出力
| モデル | 定格電流 (A) | 出力電圧 (VAC) | パワー (kW) ポンプに適用可能 | ドライブの外形サイズ 高さ*幅*奥行き (mm) | MPPT Vmp/Voc |
| RVE35-S2-0R7G | 4 | 0~220 | 0.75 | 187*86*152 | 310/372 |
| RVE35-S2-1R5G | 7 | 0~220 | 1.5 | ||
| RVE35-S2-2R2G | 10 | 0~220 | 2.2 | ||
| RVE35-S2-3G | 13 | 0~220 | 3 | 265*105*164 | |
| RVE35-S2-4G | 16 | 0~220 | 4 |
一般タイプT3シリーズ:
Vmp540 ~ 650VDC または 380 ~ 460VAC 入力、3 相 0 ~ 380/460VAC 出力
| モデル | 定格電流 (A) | 出力電圧 (VAC) | パワー (kW) ポンプに適用可能 | ドライブの外形サイズ 高さ*幅*奥行き (mm) | MPPT Vmp/Voc |
| RVE35-T3-0R7GB | 2.5/3.7 | 0-380/440 | 0.75 | 187*86*152 | 540/660 |
| RVE35-T3-1R5GB | 3.7/5 | 0-380/440 | 1.5 | ||
| RVE35-T3-2R2GB | 5/10 | 0-380/440 | 2.2 | ||
| RVE35-T3-4GB | 10/13 | 0-380/440 | 4.0 | ||
| RVE35-T3-5R5GB | 13/16 | 0-380/440 | 5.5 | 265*105*164 | |
| RVE35-T3-7R5GB(プラスチックケース) | 16/25 | 0-380/440 | 7.5 | ||
| RVE35-T3-7R5GB(鉄ケース) | 16/25 | 0-380/440 | 7.5 | 333*150*216 | |
| RVE35-T3-11GB | 25/32 | 0-380/440 | 11 | ||
| RVE35-T3-15GB | 32/38 | 0-380/440 | 15 | ||
| RVE35-T3-18GB | 38/45 | 0-380/440 | 18 | 383*180*228 | |
| RVE35-T3-22GB | 45/60 | 0-380/440 | 22 | ||
| RVE35-T3-30GB | 60/75 | 0-380/440 | 30 | 435*175*265 | |
| RVE35-T3-37GB | 75/90 | 0-380/440 | 37 | ||
| RVE35-T3-45G | 90/110 | 0-380/440 | 45 | 670*265*358 | |
| RVE35-T3-55G | 110/150 | 0-380/440 | 55 | ||
| RVE35-T3-75G | 150/170 | 0-380/440 | 75 | ||
| RVE35-T3-90G | 170/210 | 0-380/440 | 90 | 845*305*358 | |
| RVE35-T3-110G | 210A/250 | 0-380/440 | 110 | ||
| RVE35-T3-132G | 250A/300 | 0-380/440 | 132 | ||
| RVE35-T3-160G | 300A/340 | 0-380/440 | 160 | 788*500*360 | |
| RVE35-T3-185G | 340/380 | 0-380/440 | 185 | ||
| RVE35-T3-200G | 380/415 | 0-380/440 | 200 | 900*540*358 | |
| RVE35-T3-220G | 415/470 | 0-380/440 | 220 | ||
| RVE35-T3-250G | 470/520 | 0-380/440 | 250 | ||
| RVE35-T3-280G | 520/600 | 0-380/440 | 280 | 1035*620*400 | |
| RVE35-T3-315G | 600/680 | 0-380/440 | 315 | ||
| RVE35-T3-355G | 680/750 | 0-380/440 | 355 | 1290*780*410 | |
| RVE35-T3-400G | 750/810 | 0-380/440 | 400 |
優れたパフォーマンス
| | 機器の精度を向上させる高性能ベクトル制御 |
| ベクトル制御時の最大出力周波数は1500 Hzに達し、10倍の弱磁気速度規制範囲内で高精度の速度出力を実現できます。 | |
| | |
| | 同期モーターに最適なドライブ |
| 100% 定格負荷、500 Hz の開ループ ベクトル制御モードにおける同期モーターの電流波形。 | |
| | |
| | 安心の放熱設計 |
| 独立した二重エアダクト設計技術により、容量を低下させることなく、50℃のリング温度でソーラーポンプドライブの使用を実現できます。 |
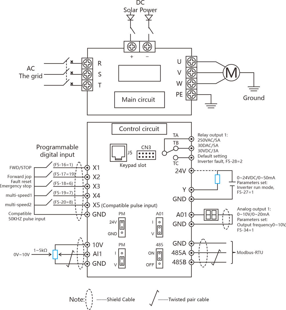
配線図
RVE35 0.75kw-7.5kw 製品については、次の点に注意してください。
1. この製品には X6 および X7 ロジック入力端子は含まれていません。
2. この製品には、アナログ入力が 1 つ、アナログ出力が 1 つ、リレー出力が 1 つしか含まれていません











































